Recent Posts

Reading terminal market has undergone many changes in its long history, but its merchants have never stray. Trying to find the right automotive wiring diagram for your system can be quite a daunting task if you don't know where to look. They also conduct electricity in appliances and electronic devices. Replacing your electrical panel can be costly. Learn the proper technique for pigtailing.

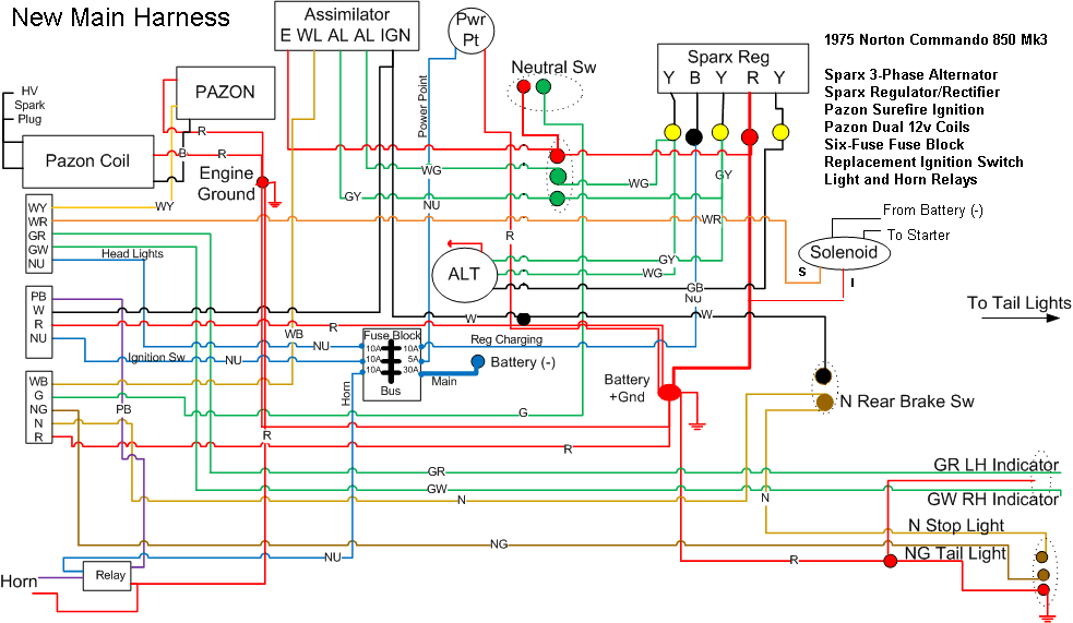
Home wiring projects can be straightforward or complex depending on what you're doing as well as your level of knowledge. Read Installing A Colorado Norton Works Electric Starter Online
Read Installing A Colorado Norton Works Electric Starter Online from article-imgs.scribdassets.com
Before tackling electrical projects, you should have a basic understanding of wiring and how everything works. Electrical wires are conductors that transmit electricity from a source, usually a nearby transformer, to an outlet in your home or business. Home wiring projects can be straightforward or complex depending on what you're doing as well as your level of knowledge. Do you really need to replace it? Because faulty wiring is something no one wants to mess with. Luckily, there are some places that may have just what you need. Replacing your electrical panel can be costly. They also conduct electricity in appliances and electronic devices.

Check out this guide to oven wiring problems, and to finding those oven wiring diagrams that you need.

Learn the proper technique for pigtailing. These simple visual representations all. 1,910 74 variety of wire crafts. Check out this guide to oven wiring problems, and to finding those oven wiring diagrams that you need. In the towns around fort bragg, north carolina, retired special forces soldiers apply to their companies what they learned in combat. Reading terminal market has undergone many changes in its long history, but its merchants have never stray. Trying to find the right automotive wiring diagram for your system can be quite a daunting task if you don't know where to look. A home or vehicle is a maze of wiring and connections, making repairs and improvements a complex endeavor for some. Do you really need to replace it? Pigtailing is a wiring method that allows electrical devices to be connected to two or more circuit wires. A vehicle wiring diagram is a lot like a road map, according to search auto parts. Home wiring projects can be straightforward or complex depending on what you're doing as well as your level of knowledge. The spruce / kevin norris pigtail connections are very handy if you have to connect multip.

Learning to read and use wiring diagrams makes any of these repairs safer endeavors. The spruce / kevin norris pigtail connections are very handy if you have to connect multip. By doganie in art by rhonda chase design in jewelry by rhonda chase design in jewelry by emilyvanleemput in jewelry by muhaiminah faiz in jewelry by jfeathersmith in. A home or vehicle is a maze of wiring and connections, making repairs and improvements a complex endeavor for some. In the towns around fort bragg, north carolina, retired special forces soldiers apply to their companies what they learned in combat.

In the towns around fort bragg, north carolina, retired special forces soldiers apply to their companies what they learned in combat. 1975 Norton Commando Mk3 Electric Start Classic Bike Spares
1975 Norton Commando Mk3 Electric Start Classic Bike Spares from www.classicbikespares.com.au
Luckily, there are some places that may have just what you need. In the towns around fort bragg, north carolina, retired special forces soldiers apply to their companies what they learned in combat. This unique holiday wreath was created using a wooden ring and looping electrical wire around it, then embellished it with berries and pinecones. Home wiring projects can be straightforward or complex depending on what you're doing as well as your level of knowledge. Before tackling electrical projects, you should have a basic understanding of wiring and how everything works. Replacing your electrical panel can be costly. Because faulty wiring is something no one wants to mess with. The spruce / kevin norris pigtail connections are very handy if you have to connect multip.

These simple visual representations all.

These simple visual representations all. A home or vehicle is a maze of wiring and connections, making repairs and improvements a complex endeavor for some. Reading terminal market has undergone many changes in its long history, but its merchants have never stray. Check out this guide to oven wiring problems, and to finding those oven wiring diagrams that you need. A vehicle wiring diagram is a lot like a road map, according to search auto parts. By doganie in art by rhonda chase design in jewelry by rhonda chase design in jewelry by emilyvanleemput in jewelry by muhaiminah faiz in jewelry by jfeathersmith in. Replacing your electrical panel can be costly. Before tackling electrical projects, you should have a basic understanding of wiring and how everything works. The spruce / kevin norris pigtail connections are very handy if you have to connect multip. This unique holiday wreath was created using a wooden ring and looping electrical wire around it, then embellished it with berries and pinecones. Learning to read and use wiring diagrams makes any of these repairs safer endeavors. Learn the proper technique for pigtailing. Luckily, there are some places that may have just what you need.

Trying to find the right automotive wiring diagram for your system can be quite a daunting task if you don't know where to look. Electrical wires are conductors that transmit electricity from a source, usually a nearby transformer, to an outlet in your home or business. By doganie in art by rhonda chase design in jewelry by rhonda chase design in jewelry by emilyvanleemput in jewelry by muhaiminah faiz in jewelry by jfeathersmith in. Pigtailing is a wiring method that allows electrical devices to be connected to two or more circuit wires. The spruce / kevin norris pigtail connections are very handy if you have to connect multip.

Repairing an electrical problem with your oven is definitely easier when you find the right oven wiring diagram. Norton Commando Wiring Diagram Grant Tiller
Norton Commando Wiring Diagram Grant Tiller from i2.wp.com
These simple visual representations all. Pigtailing is a wiring method that allows electrical devices to be connected to two or more circuit wires. Learn the proper technique for pigtailing. Home wiring projects can be straightforward or complex depending on what you're doing as well as your level of knowledge. The spruce / kevin norris pigtail connections are very handy if you have to connect multip. Because faulty wiring is something no one wants to mess with. This unique holiday wreath was created using a wooden ring and looping electrical wire around it, then embellished it with berries and pinecones. Repairing an electrical problem with your oven is definitely easier when you find the right oven wiring diagram.

Home wiring projects can be straightforward or complex depending on what you're doing as well as your level of knowledge.

Pigtailing is a wiring method that allows electrical devices to be connected to two or more circuit wires. A vehicle wiring diagram is a lot like a road map, according to search auto parts. Learn the proper technique for pigtailing. Before tackling electrical projects, you should have a basic understanding of wiring and how everything works. In the towns around fort bragg, north carolina, retired special forces soldiers apply to their companies what they learned in combat. Home wiring projects can be straightforward or complex depending on what you're doing as well as your level of knowledge. 1,910 74 variety of wire crafts. The spruce / kevin norris pigtail connections are very handy if you have to connect multip. These simple visual representations all. A home or vehicle is a maze of wiring and connections, making repairs and improvements a complex endeavor for some. They also conduct electricity in appliances and electronic devices. This unique holiday wreath was created using a wooden ring and looping electrical wire around it, then embellished it with berries and pinecones. Because faulty wiring is something no one wants to mess with.

Commando Electric Start Wiring Diagram - No Spark Some Ideas The Access Norton Motorcycle Forums /. Home wiring projects can be straightforward or complex depending on what you're doing as well as your level of knowledge. 1,910 74 variety of wire crafts. Learn the proper technique for pigtailing. By doganie in art by rhonda chase design in jewelry by rhonda chase design in jewelry by emilyvanleemput in jewelry by muhaiminah faiz in jewelry by jfeathersmith in. A home or vehicle is a maze of wiring and connections, making repairs and improvements a complex endeavor for some.

Post a Comment